|
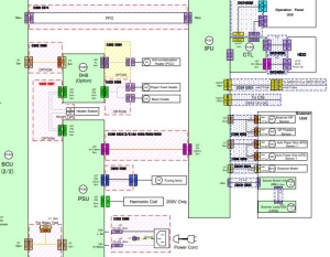
症状:机器正常使用过程中,黑屏后无法再次启动。 1:查看机器面板右上角电源指示蓝灯不亮,怀疑电源板损坏导致。 2:测量电源板上各保险丝都正常,机器上插座220v正常。 3: 通过查看机器点到点图,开机信号由连接IPU主开关CN541控制,测量开关正常。
4.IPU的供电由PSU CN911提供5V电源. 断开连接IPU CN542插头.单独测量PSU CN911,确认电源板无5V电压输出,导致IPU无动作,故机器无法开机,进一步确认电源板损坏导致.
解决方法: 更换电源板后解决。 |
相关文章
理光复印机最新固件升级方法合集
最新版理光现有机型固件升级方法合集。注意:无论使用以下何种方式进行固件升级,在升级过程中都切勿关机,此操作会造成机器硬件损坏。二、A3机型固件升级用SD卡的制作...
理光维修 快回来 9
理光复印机基础原理,成像原理与复印机基础,色彩基本原理
理光复印机基础原理,成像原理与复印机基础,色彩基本原理1、成像原理与复印机基础 2、色彩基本原理3、机器测试样图打印4、零件手册使用培训教材5、点点图使用方法M...
理光维修 快回来 10
理光DD3344C基士得耶CP6303C报代码E-02
症状:基士得耶 cp6303c 机器印刷时报故障 E-02原因:1、纸台电机问题、纸台驱动不良;2、纸台高度传感器,纸台下限传感器不良;3、主板不良。4、线束接...
理光维修 快回来 40
SLNXv3_导出包含大量工作流和组的配置文件配置不会启动下载,并且无法显示
问题:导出包含大量工作流和组的配置文件配置不会启动下载,并且无法显示。 发生的条件:用户尝试导出包含大量工作流和组的概要文件配置。 原因:由于正在处理的组和工作...
理光维修 炒不炒菜 17
理光IM C320F_P C375_M C320FW内存清除后鼓单元设置错误的解决方案
理光IM C320F_P C375_M C320FW内存清除后鼓单元设置错误的解决方案症状当执行内存清除:全部清除(SP:5-801-001)时,例如由于忘记登...
理光维修 访客 5
理光DD 2434C主基板软件变更V1.05→V1.06
DD 2434C主基板软件变更V1.05→V1.06主基板软件变更 V1.05→V1.061. 由于来自给版步进电机动力线的噪声干扰了主电机的译码片传感器,导致...
理光维修 访客 7
理光IM7000 提示“SC530-19”故障代码
Ricoh MP6503SP_7503SP_9003SP,IM 7000_IM 8000_IM 9000症状:客户报修一台MP7503机器面板提示“SC530-...
理光维修 访客 5
理光复印机使用SLNX 软件用户登录延迟
故障:客户使用SLNX-v3.6 刷卡软件,安装后测试使用正常。其中属于相同部门多个用户反映存在刷卡后有时会出现正在验证请等待比较久的提示,也存在正常刷卡后见不...
理光维修 访客 7
留言评论取消回复


