惠普激光打印机更换主板或误操作导致硒鼓提示不兼容(c2-1510)的处理 惠普激光打印机更换主板或误操作导致硒鼓提示不兼容(c2-1510)的处理下载手机版本APP,使用USB OTG线将打印机和手机连接,然后通过手机APP重置国家为... 固件升级 快回来 43 2021-12-18
惠普消费类彩色打印机硒鼓抽屉卡死参考方案 目前主流的惠普252.277.154.180.281类都适用故障描述:消费类彩机硒鼓抽屉卡死抽不出的情况时不时有碰到,有时好处理,有时硒鼓都卡死在里面做了整机更... 维修案例 访客 44 2021-11-22
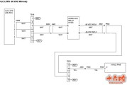
施乐DT180HLC在做NVM值备份及恢复时,根据手册上的内容无法操作 手册内容纠正 在做NVM值备份及恢复时,根据手册上的内容无法操作,见下图红色部分:Open a Terminal Window and type (per bo... 维修案例 访客 34 2020-11-29
施乐DP180间歇性定位漂移 主题: 间歇性定位漂移 内容: 间歇性定位漂移,工程师已更换了定位马达,皮带,互换了定位控制板,问题还在。 维修思路:看定位副本,判断纸张走慢。 解决方法:**... 维修案例 访客 31 2020-11-29
施乐DT128/180 HLC出现代码P09-409.09-412 主题:代码P09-409.09-412 内容:ETAC OFFSET不在规定范围内,标准值应该在0.4-0.75之间。 原因: SSIB PWB上的插头P727... 维修案例 访客 33 2020-11-29
施乐牛蛙DT128/180 HLC机器意外跳电后,打印出P09-615代码 施乐牛蛙DT128/180 HLC机器意外跳电后,打印出P09-615代码内容:机器意外跳电后,打印出P09-615代码。**** 本内容被作者隐藏 **** ... 维修案例 访客 35 2020-11-29
施乐牛蛙DT128/180 HLC更换感光带后出P06-404,09-419代码 施乐牛蛙DT128/180 HLC更换感光带后出P06-404,09-419代码主题:P06-404,P09-419 内容:客户更换感光带后出P06-404,0... 维修案例 访客 33 2020-11-29
施乐DT128/180 HLC复印打印尾端脏(靠近中间大约5-7mm宽) 主题: 副本尾端脏(靠近中间大约5-7mm宽) 内容: 清洁清洁装置,更换毛刷,调整黑色显影仓右侧废粉收集装置上下位置,调整转印刮片TIMING,调整预定影相对... 维修案例 访客 35 2020-11-29
京瓷 TASKalfa 180 220 复印机中文维修手册 维修资料 语 言:中文格 式:PDF电子版,无加密页 数:298页手册内容详实,图文并茂,是维修人员的好帮手,有了维修手册,这款机子的拆卸、故障排除您就不用再发愁了!即使... 维修手册 访客 37 2018-08-12